Bu seferki projemiz, HI-FI preamplifikatör üzerine. Öncelikle preamplifikatör nedir, ne için kullanılır ve önemi nedir bunlardan bahsedelim.
Ön yükselteçler, ses sinyali kaynağı ile güç amplifikatörü arasındaki olmazsa olmaz elemandır. Basit bir anlatımla, bizim ses kaynağımızın sinyalini, güç amplifikatörünün kullanabileceği voltaj seviyesine getirir. Güç amplifikatörümüzden tam verimi ve kaliteyi alabilmemiz için, ön yükselteç kullanmamız şarttır. Sahip olması gereken özellikler, sinyalimizi bozmadan gerekli voltaja yükseltebilmesidir. Önemi ise, amplifikatörünüz ne kadar kaliteli olursa olsun, giriş sinyaliniz kaliteli olmadığı sürece elde edeceğiniz sonuç kötü olacağından, ön yükseltecin ses kalitesi üzerinde doğrudan etkisi vardır. Bu projede göreceğiniz preamplifikatör de, en yüksek kalitededir, düzgün yapıldığında elde edeceğiniz kalite Hi End bir önyükselteç ile eşdeğerdir.(Tabi, fiyatı eşdeğer olmayacak, işte DIY Audio ruhu :)
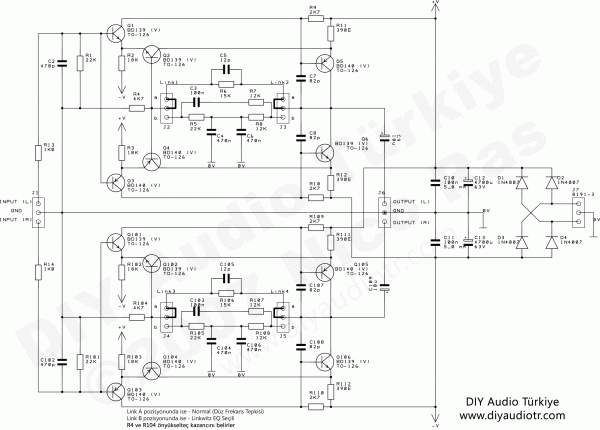
Bu önyükseltecin en önemli özelliği çok düşük harmonik distorsiyona ve geniş dinamik aralığa sahip olmasıdır. Sistem tam komplemer simetrik A sınıfı yapıya sahiptir ve devre şemasından da açıkça anlaşılabileceği gibi iki farklı ancak şasiye göre iki tam simetrik devreye sahiptir.

Büyük devre şemasını yazının altında yer alan "dosyalar" bölümünden edinebilirsiniz.
Burada sunulan devre şeması stereo uygulama içindir. Ayrıca tam kapalı bas kutuları için bas düzeltme fonksiyonuna sahip bir Linkwitz denkleştirici seçeneği içerir.
Devrenin tam ortasında, iki ayrı negatif geri besleme seçeneği mevcuttur. Bu iki seçenek arasında jumperler ile seçim yapılabilir.
(a) konumu düz cevap eğrisi içindir ve 2Hz ile 100Khz arasında lineer bir eğri verir.
(b) konumu ise Linkwitz denkleştirmesini devreye sokar; ki bu durumda 20Hz – 100Hz bandında yaklaşık 12dB/oktavlık ekstra bir kazanç elde edilir.
Komple ön yükselteç devresinin yaklaşık lineer kazancı 12dB'dir. R4 ve R104 iki kanal için ayrı ayrı kazanç belirleyici dirençlerdir. Değerleri artırıldığında kazanç artacaktır.
Bir önyükselteç devresi için neden güç transistörleri seçildiğinin açıklanabilmesi için öncelikle; küçük güç transistörlerinin küçük birleşim noktalarına sahip olduğu ve dolayısıyla gürültü karakteristiklerinin iyi olmadığı gerçeğinin bilinmesi gerekmektedir. Oysa bu devrede kullanılan BD139/140 gibi orta güç transistörleri daha büyük birleşim noktalarına ve dolayısıyla daha küçük gürültü oranlarına sahiptir.
Önyükseltecin toplam harmonik distorsiyonu çok düşüktür. Aslında pek çok spektrum analizörünün algılama limitinin bile altındadır. Ancak Linkwitz denkleştiricisi devreye sokulduğunda (konum b) tam çıkışta % 0,0075 gibi bir orana yükselir ki bu da oldukça düşüktür. Dolayısıyla bu ön yükselteç amplifikatörünüze herhangi bir şekilde gürültü ya da distorsiyon eklemez. Ekte bu ön yükseltecin cevap eğrileri verilmiştir. Genellikle bir yükseltecin çıkış gerilim limitleri besleme gerilimiyle sınırlıdır. Bu da her halükarda güç amplifikatörünün besleme ihtiyacından düşük olacaktır. Bu; şu anlama gelir, uygulamada ön yükselteç hiçbir şart altında distorsiyon yapmaz.
Güç kaynağı ihtiyacı +/-35v dur. 2x21 ila 2x25v luk ve 1,5VA gücündeki herhangi bir transformatör işimizi görecektir. Köprü diyotlar ve süzme kondansatörleri devre üzerindedir, dolayısıyla sisteme yalnızca bir trafo bağlamak yeterli olacaktır. Ön yükselteç çıkışına 22K ile 50K arasında logaritmik stereo bir ses potansiyometresi konulmalıdır. Dinamik aralık geniş tutulduğundan dolayı giriş kaynaklı herhangi bir saturasyon ya da distorsiyon oluşmayacaktır. Ancak güç amplifikatörünüzün maksimum giriş genliği aşıldığında distorsiyon kaçınılmazdır. Bu anlamda bu ön yükselteç, yüksek güçlü amplifikatörler için tavsiye edilir. Özellikle ikinci projemiz olan 100W MOSFET ampli için biçilmiş kaftandır.
Nico Ras
Not
Fotoğraflardaki ön yükselteçler bu devrenin daha önceki versiyonlarına aittir. Ancak çalışma prensibi aynı kalmak kaydıyla bu versiyon (sürüm 4) daha iyi ses karakteristiğine sahiptir.



Forumda Yazılmış Olan Yorumlar
mamidron yazdı:
bu preamfi yi yapmak istiyorum lakin aşağıdaki amfi devresi ile nasıl uyum sağlayacağı hakkında yorumlarınızı merak ediyorum.
giriş hassasiyeti 1,2Vrms
önerilen besleme gerilimi +/- 50 Vdc
mevcut besleme +/- 36Vdc
siftery yazdı:
squall yazdı:
hoparlör yazdı:
siftery yazdı:
caglarm yazdı:
Açıklamalar için çok teşekkür ederim.
e_cag yazdı:
hoparlör yazdı:
Buyrun bende de multilayer seramik var, dileyen kaliteli polyester de kullanabilir.
caglarm yazdı:
hoparlör yazdı:
caglarm yazdı:
Düşük Harmonik Distorsiyonlu, Yüksek Dinamikli Ön Yükselteç i ben de yaptım,tek taraflı pertinaxa göre yeni baskılı devre ile.Oldukca güzel uyum sağladı Ras100 ün önünde.Merak ettiğim birşey var.Devre şemasında bipolar olarak görülen 470nf lar yerine resimde hitano elektrolitik kondansatörler kullanılmış.Bunların değerlerini bilen var mı acaba?
hoparlör yazdı:
Çünkü hepimiz birbirimizden destek alıp birşeyler yapmak için hevesleniyoruz. Forumdaki tüm arkadaşlarımızın, hatta ayrılıp gidenlerin bile katkısı olacaktır. Aslında uzun zamandan beri parça parça üzerinde araştırma yapıp bir türlü pratiğe dökemediğimiz konular var. Amatörlük de buradan ileri geliyor işte
Biraz beyin jimnastiği yapıp yol haritası çizmek gerekir diyorum. Aslında hepimizin alacağı yol aynı ama modüler bir yaklaşımla herkesin kendi zevkine ve olanaklarına göre de uyarlayabileceği bir yapı kuralım.
Benim tek derdim mümkün olduğunca Türkiye'de bulabileceğimiz malzemelerle bu işi yapmak. Ancak gereken yerde dışarıya sipariş verebiliriz ya da dileyen arkadaşlarımız diledikleri malzemeleri kullanabilirler. Sanırım biraz sonra bu başlığı da sevgili Hazar'ın uygun bir yere taşıması gerekecek
Konuyu saptırıp Konya derken kendimizi Samsun'da buluyoruz birden .. Bu sadece bir taslaktır, katkılarınızla şekillendirebilir, biraz daha detaylandırabiliriz. Eğer kısmet olur da tamamlayabilirsek, sonuçta bizden sonrakilere de bir yol haritası kalır...
mfethi yazdı:
İlginize çok teşekkür ediyorum. Mesajınızı okuyunca yine bir heyecan sardı. Öyle ki vu-metre veya audio analyser devrelerini incelemekten dün geceyi sabah etmişim. Hani benim de çorbada –belki- tuzum olur hesabı…
“Birlikte yapalım” sözü ne kadar güzel geliyor kulağa… Forumların kalıcılığı ve güvenilirliği sizler gibi paylaşımcı insanların varlığına bağlı diye düşünüyorum. İyi ki varsınız. Forumun her bölümünü okudum. Forumun ve bu başlığın takipçisiyim. Bu tür paylaşımların çok zaman aldığını biliyorum. Artık siz ne zaman yayınlarsanız…
Bekleyeceğim…
Çalışmalarınızda başarılar dilerim. Her şey gönlünüzce olsun.
hoparlör yazdı:
O zaman bana biraz zaman verin, o devrenin baskılı devresini ve ilave devrelerini de hazırlayıp birlikte yapalım. Burada telif hakları nedeniyle yayınlayamadığım ses kaynağı seçici, ön kuvvetlendirici, kulaklık çıkışı vb. özellikleri olan devreler var. Bu kadar teferruatlı olunca da zaman istiyor. Bu devreleri özellikle TDA.. LM... vb. chipamp grubu için kullanmayı düşünüyorum. Nico'nun devreleri ayrı bir kategori, ama isteyen olursa LM3886 vb. kullanacağına RAS100 yapar kullanır. Hatta bir vu-metre bile ekleyebiliriz.
Ama biraz zaman gerekiyor..
mfethi yazdı:
Önerileriniz için teşekkür ederim. Zaten metal film dirençleri ben de buralardan alıyorum. Sağolun.
mfethi yazdı:
Hocam yukarıda linkini verdiğin devreye ben de tav oldum. Ama baskı devresini bulamadım. Sizde varsa sizden veya çizebilecek arkadaşlardan rica etsek yayınlasanız minnettar kalırız. Gerçekten hoş bir devre. Zannediyorum bu forumun başka bir yerinde de tavsiye edilmişti. Ama baskı devresi yok.
Çalışmalarınızda başarılar dilerim.
djmalan yazdı:
Yıldırım elektroniğe bir sormak gerek,zaten farnelin türkiye bayisi...En azından yoksa bile getirtebilirler.Metal film direnç ve kondansatörleri de ben Ser ve Otek ten alırım .Bir arştırın.
hoparlör yazdı:
Ancak opamp kullanılarak güç transistörlerini sürmek, özellikle eşletirme gerekebilen ön katlardaki sorunları ortadan kaldırıyor. Dolayısıyla daha küçük alanda daha soruzsuz devreler yapmak mümkün. Bunun için mutlaka hexfet kullanmak da gereksiz, BD139-140 kullanan ve sinyal seviyesi güçlü preamplar da tasarlanabilir. İnternet bu tür tasarımlarla dolu, sadece amacınıza ve beğeninize uygun bir devre seçmek gerekiyor.
Özellikle chip-amp tarzı bir devre yapacaksanız o zaman ön kuvvetlendirici olarak da opamp kullanmak mantıklı geliyor. Türkiye'de opa serisinin ses devrelerinde kullanılabilen tiplerini bulmak çok zor. Bazen tek tük çıkabiliyor, birisi için getirilmiş, almamış ya da artmış gibi. Ancak NE5532 gibi kaliteli opampla da rahatlıkla kullanılabilir. Açıkcası bir seviyeden sonra ses kalitesin pek fark oluşturmuyorlar. Farkı farkedebilmeniz için öncelikle hoparlör sisteminizi en az 4-5bin TL'lik seviyelere çıkarmanız gerekebilir. Ev tipi standart hoparlörler ile bu fark anlaşılmaz açıkcası.
Kendi adıma yapmayı düşündüğüm böyle bir devreyi güvendiğim sitelerden birinde buldum.
http://sound.westhost.com/project88.htm
Aslında devre oldukça basit, iki aşamalı opamplı kuvvetlendirici TL072, NE5532 gibi bulunabilen kaliteli malzemelerle yapılabilir. Bacak bağlantıları uyumlu olduğundan daha sonra da değiştirilebilir.
Ton kontrolü demutlaka isterim deyip odyofil dünyasına ters gidenler için de bir başka devre yapılabilir. Neyseki ton kontrolü devre dıışı bırakan bir anahtar da eklenmiş.
http://sound.westhost.com/project97.htm
Adım adım ve önceden denenmiş bir devreyi yaptığınızda sorun çıkacağını sanmıyorum. Aksilikler her zaman olabilir ama bu da işin doğası gereği. Zaman buldukça tam bir sisteme doğru gidilebilecek bir tasarım oluşturulabilir.
mfethi yazdı:
"Ancak opamp kullanarak da iyi devreler mümkün. Class A tasarımının uygulandığı düşük empedans çıkışlı düzgün preamplar var, hatta çok iyileri de var. En basitinden sitemizde yayınlanan Class A kulaklık amfisi de preamp olarak kullanılabilir, ben de öyle yaptım."
demeniz üzerine o projeyi tekrar inceledim. Açıkçası A sınıfından biraz çekiniyorum. Transistörleri match etmeyi bilmiyorum. Bu devrede kullanılan IRF510 HEXFET ile OPA134 Türkiye'de (Ankara) bulunur mu bulunmaz mı? Sükunet akımından bahsedilmiş, ayarlamak mı gerekecek? 8-64 ohm arası kulaklık/hoparlör için dizayn edilmiş 1W gücünde bir devreyi preampli olarak kullanmak için ne gibi değişiklikler yapılmalı... gibi benim açımdan bilmediğim çok husus var. Yine bu devrenin sonrasına bağlayacağım amplifikatörün omajı-direnci-giriş gerilimi gibi uyumsuzluklardan da korkmaktayım. Emek, zahmet, zaman, masraf... Fişi takarsınız duyduğunuz bir ciyaklamadır veya kulakları tırmalayan uğultu. Ya da sigara içen bir direnç...
Eğer bu konularda yardımcı olabilirseniz bu devreyi yapmaktan mutluluk duyarım.
Sizler meşgul insanlarsınızdır. Vaktinizi de çalmak istemem.
Şimdiye kadarki ilginize ve verdiğiniz bilgiler için çok teşekkür ederim. Dikkate alacağım.
Esen kalın.
hoparlör yazdı:
Ön kuvvetlendirici konusunu aslında hep gözardı edilen bir konudur. Nasıl olsa sinyal seviyesi CD çalar gibi cihazlarda artık 1-2V düzeylerinde, eh zaten bilgisayar ses kartları da gayet yüksek çıkış veriyorlar, tamamdır diyoruz.
Ancak önkuvvenlendiriciler tüm ses kararkteristiğini oluşturan ve çıkış katının gerçek potansiyeli gösteren önemli devreler. Buradaki kalite, sonrasında daha düşük kalitede çıkış katlarında bile ciddi fark yaratabiliyor.
Bu yüzden ben de üç devre üzerinde yoğunlaştım. Bir tanesi sizin yaptığınız, kaliteli ve eşlenmiş malzeme gerektiriyor. Kanallar arasında fark olmaması için bu öenmli. Ciddi bir ön kuvvetlendiricidir ve Nico Ras'ın iyi devrelerinden birisidir. Üstelik geri beslemesini değiştirerek RIAA düzeltmesi ile pikap ön kuvvetlendiricisi olarak da kullanılabilir. Gerçi Nico bu konuda en iyi önkuvvetlendiricinin arkadaşı Rod Elliott'ın yayınladığı devre olduğunu söyleyip bana onu tavsiye etmişti.
Bir diğer devre ise bu devrenin ilk hali, güç transistörleri yerine düşük gürültülü Toshiba Audio transistörler kullanılarak yapılmış, paralel bağlanarak gürültünün çok azaltıldığı ilginç bir devre. Baskılı devresi gelince yapıp yayınlayacağım, çift taraflı bir baskılı devresi var ama zaman bulabilirsek tek yüzlü versiyonunu da hazırlayacağız.
Üçüncü devre ise Nico'nun zamanında HP için geliştirdiği hem ön kuvvetlendirici hem de kulaklık amfisi olarak kullandığı bir devre. Ancak yayınlamıyor, HP ile olan anlaşması nedeniyle. Bir gün yayınlamaya karar verirse onu da seve seve yayınlarım, gerçi karmaşık, çok elemanlı çift yüzlü bir tasarımı var.
Bunlar transistörlü devreleri iyi örnekler, ancak opamp kullanarak da iyi devreler mümkün. Class A tasarımının uygulandığı düşük empedans çıkışlı düzgün preamplar var, hatta çok iyileri de var. En basitinden sitemizde yayınlanan Class A kulaklık amfisi de preamp olarak kullanılabilir, ben de öyle yaptım. Bu konuda opamp seçimi, devre tasarımı seçimi gibi pekçok detay var. Sizin devreniz de benzer bir tasarım anlayışından çıkmış. Chipamp'lar için öncesine genel amaçlı nbir opamp ile ön kuvvetlendirici konulmuş. Daha iyi opamplar var bu konuda ama tasarımcısının notlarına bakmak lazım derim.
mfethi yazdı:
Sevgili hoparlör;
İltifatlarınız için teşekkür ederim.
Kimisini çalıştırdığım, kimisini de çalıştıramadığım onlarca devreyi bir koliye doldurarak kömürlüğe postalayalı on seneyi geçmişti. Bir arkadaşım benden amplifikatör yapmamı isteyince internette yeni birşeyler vardır diyerek sizin sitenize üye oldum. LM 4780 ve preamplisini yaptım ama ikisini de çalıştıramadım. Bir çift entegreyi sample olarak istemiştim. İş inada binmişti. Diğer sitelerden TDA'lı, 4-5 kadar devreyi yaptım, hepsini de çalıştırdım. Ama şöyle kaliteli bir preamplinin eksikliğini hep hissettim. Bu devre bana çok kaliteli göründü. Bununla epey uğraştım. Kartı ters mi doğru mu bastırdığım konusunda oldukça şüpheliydim. Çünkü daha önce başıma gelmişti. Montajdan sonra, devreye güç vermeden önce şema ile devremi karşılaştırdığımda yukarıdaki yanlışlığı farkederek yapacak arkadaşlara ışık tutması adına paylaştım. Doğrusu kartı serigrafi ile bastırdım. Hatta bir kartı da ters bastırdım, ne olur ne olmaz diye. Ama sizin kartınız çok daha güzel görünüyor. Şöyle boyalı moyalı hani... Eğer bahsettiğiniz diğer preampliyi de paylaşırsanız minnettar kalırız.
Bir de bugün tekrar dinlediğimde sağ kanalın sesi sol kanala göre biraz düşük geldi. Sebebini bilmiyorum. Balans ayarıyla düzeliyor ama kaliteli bir preamplide niye böyle birşey olsun ki? Yoksa elemanları match (inşallah doğru yazdım) etmek mi gerekiyor, bilemedim. Şunu da belirtmekte fayda var: Devre lehimlemede çok yeni olanların girişeceği bir iş değil gibi. Bunu söylerken kendimin henüz bir amatör bile olamadığımı da vurgulamak isterim.
İş inada bindi demiştim. Şöyle adam gibi bir tane LM 4780'li, bir de LM 3886'lı bir devre yapmadan havyayı bırakmayacağım. Bu konuda paylaşıma açık olduğumu belirterek;
Çalışmalarınızda başarılar dilerim.
Alttaki devre için uğraşacağım. Varsa yorum ve görüşlerinizi bildirirseniz memnun olurum. Ayrıca yapımını tamamlayıp burada paylaşırım...
Sevgiyle kalın...
hoparlör yazdı:
Öncelikle tebrik ediyorum, böyle baskılı devre zorluğu olan bir projeye kalkıştığınız için de de bravo çalıştırmışsınız. Bu devreyi uzun zamandır yapmayı çok istiyorum, ancak bir türlü zamanım olmadı hatta baskılı devresini de prototip olarak yaptırdım ama ters basıldığı için başlayamadım.
BU devrenin güç transistörleri değil düşük güçlü ses frekansı transistörleri ile yapılan önceki bir versiyonu var. Onu da tamamlayınca yayınlamayı hedefliyorum. Ama bu devre bir adım sonraki devredir ve distorsiyon yok ötesidir, güç transistörlerinin sinyal transistörlerine oranla çok daha büyük olan emisyon (junction) tabakasının düşük sinyal seviyelerindeki mükemmel performansı düşünülerek tasarlanmıştır. Benzer bir etki için 24 ladet ow-noise Toshiba transistör kullanılıyor paralel bağlı olarak.
Baskılı devreniz ise benim elimdeki ile aynı
Ters baskıda ise çift yüzlü plaketlerde bir kolaylık var, alt ve üst farketmeyeceğinden öteki yüzünden montajı yapabilirsiniz. Ya da sizin gibi transistör, kondansatör gibi bacak bağlantısı sorunları olan elemanları ters yüze lehimleyebilirsiniz. Ben hepsini bir yüze monate etmeyi tercih ediyorum.
Yapımda en önemli nokta BD serisinin düzgün bir marka olmasıdır, Karaköy'de BD139-140 ST marka orjinal olarak var. Ben de bir çubuk aldım, haftaya montaja başlayacağım. Uyarınız için de teşekkürler, çok önemli bir bilgi oldu.
Sizi tekrar tebrik ederim, güle güle dinleyin
mfethi yazdı:
Arkadaşlar yerleşim planında hata var.
Ben bu devreyi yaptım. Çalıştırdım. Çift yüzlü plaketle çalışmak zor oldu. Çoğu elemanın bacakları plaketin hem üstüne hem de altına lehimlenmesi gerekiyor. Transistör ve dirençlerin lehimlenmesi kolay ama kondansatör ile giriş-çıkış terminallerinin lehimlenmesi biraz zor oldu. Ben de minik köprüler atarak ve bazı elemanları diğer yüze lehimleyerek yaptım.
Yukarıda bir arkadaş PBCnin alt yüzünün ayna görüntüsünü alarak basın demişti. Ben onu denemedim,burada verilen şekliyle bastım. Yalnız yerleşim planında bir yanlışlık dikkatimi çekti, sizlerle paylaşmak istedim. Zannediyorum dikkatlerden kaçmış. Kimse de belirtmemiş.
Yerleşim planındaki Q5 ve Q6 transistörlerini değiştirin. Yani Q5 yerine Q6'yı, Q6 yerine de Q5'i takarsanız düzeliyor. Biri PNP, diğeri NPN transistör. Bu transistörlerin yönünü yine şemadaki gibi (soğutucu yüzler aynı kalmak kaydıyla) takın.
Bir de kazancı bana az gibi geldi. Onu da R4 ve R104 dirençlerini değiştirerek düzeltmeye çalışacağım. Linkwitz denkleştirici seçeneği jumperlerle yapılıyor. Özellikle bas sevenler için biçilmiş kaftan diyebilirim. Distorsiyon diye bir şey yok. Zaten açıklamasında bu durum belirtiliyor.
Yapan ve yayınlayanın emeklerine sağlık.
Hazar yazdı:
http://www.diyaudiotr.com/islecler/tamm ... ?metinid=4
ercanxxx yazdı:
Anonymous yazdı:
Anonymous yazdı:
Anonymous yazdı:
Anonymous yazdı:
Anonymous yazdı:
orda benden daha bilgili arkadaşlarımız sana daha kesin çözümler bulacaktır..
Anonymous yazdı:
Anonymous yazdı:
Anonymous yazdı:
Anonymous yazdı:
Anonymous yazdı:
Anonymous yazdı:
Anonymous yazdı:
Anonymous yazdı:
Anonymous yazdı:
Anonymous yazdı:
Anonymous yazdı:
Anonymous yazdı:
Anonymous yazdı:
Anonymous yazdı:
Anonymous yazdı:
Anonymous yazdı:
Anonymous yazdı:
Anonymous yazdı:
Devrenin maliyeti Çin malı potla yaklaşık 15YTL civarındadır. Eğer ALPS vb kaliteli pot alırsanız 60YTL ye çıkabilir.
Devre bu haliyle yalnızca ev kullanımı için hat seviyesi preamp tır. Belirttiğiniz özelliklerde kullanılması olanaksızdır.
Giriş hassasiyeti yaklaşık 100mV seviyesindedir.
Anonymous yazdı:
Anonymous yazdı:
Anonymous yazdı:
Anonymous yazdı:
Anonymous yazdı:
Anonymous yazdı:
1- TDA7294 güzel bir uygulama olabilir ancak belki iPod amplifikatörleri ya da diğer Çin malı çöplükler için... Ama asla Hiend için değil! Bu anlamda sorun aslında LM1036 da değil, ayrıca LM1036 maksimum 500mV çıkış/giriş gerilimini kontrol edebilir. Üstünde ciddi distorsiyon yapar.
2- Ton ve balans kontrolu ayrı bir sorun ve ayrı tartışılması gereken bir konu ama kısaca şunu söyleyeyim, iyi bir hoparlör sistemin varsa (ki olmalı) ton kontroluna ihtiyacın yoktur. Yalnızca bas tepkisini artırmak için buradaki gibi bir denkleştirici ekleyebilirsin. Balans kontrolu yalnızca kalitesiz volüm potu kullanılan uygulamalar için gereklidir. Sonuç olarak bu uygulama HIEND standartlarına uygun olduğundan bu soruları sorulmamış kabul ediyorum.
3- Uzaktan kumanda için Dr.Hardware'in bir çalışması olacak onu bekleyin.
Nico
Anonymous yazdı:
Tda 7294 entegresini kullanarak bi uygulama yaptim.
Cok basarili. Lm 1036 entegresiyle bi preamp yaptim.
Sonuc pek kaliteli olmadi. frekans araligi cok dar.
Sizin devre cok hosuma gitti. Hemen yapmak istiyorum. Acaba ton kontrol ve balans devresi eklenebilirmi. Bide volum icin uzaktan kumanda nasil yapabilirim?
Tesekkurler.
Anonymous yazdı:
Anonymous yazdı:
Anonymous yazdı:
Anonymous yazdı:
Anonymous yazdı: